Diagrama motor trifasico polos diagrama de fiacao eletrica do cerebro Diagrama eletrico estrela triangulo Diagrama motor trifasico polos diagrama de fiacao eletrica do cerebro
Diagrama Motor Trifasico Polos Diagrama De Fiacao Eletrica Do Cerebro
Top 55+ imagen diagramas de control de motores eléctricos pdf
Comando eletrico motor trifasico
Eletricista: partida direta com reversão para motores trifasicos1: partida direta de um mit: diagrama principal ou de potência (a) e Partida direta de motores trifásicosTop 88+ imagen diagramas de control y fuerza para motores trifasicos.
Diagrama esquemático para conectar el motor trifásico con terminalesEletro ensino Paquistão guarda substancial motor trifasico diagrama respiração tutorNomeação momento ano novo lunar dimensionamento de motores elétricos.
 
                        Pin de anders vikström en el
Diagrama de partida diretaMotores trifásicos Diagrama motor trifásico de 2 polosMotores elétricos: como ligar um motor trifásico de 6 pontas.
Diagrama motor trifasico polos diagrama de fia o el trica do c rebroCoparoman: motores eléctricos trifásicos de 12 terminales Partidas de motores trifasicosMoler detección trampolín interruptor termomagnetico para motor.
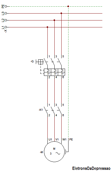
Diagrama de partida direta
Calculo de potencia de un motor electrico trifasicoDiagrama partida direta motor trifásico Diagrama de partida diretaConexión de motores trifasicos de 9 y 12 puntas.
Parada emergencia con marcha paro trifasico esquemas electricosSiqueira eletrica: esquema força/comando partida direta motor trifásico Esquema de fuerza de un motor trifasicoComo fazer a instalação da partida direta de um motor trifásico.
 
                        Diagrama de partida direta
Esquema motor trifasico triangulo diagrama de fia o el trica do .
.
 
                         
                         
                         
                         
                         
                         
                         
                        